Index

Abstract

This paper exhibits a type of fuzzy robust plan designed for nonlinear time-delay system based on the fuzzy Lyapunov method. In addition, the obtainable delay-self-governing state is changed into linear matrix inequalities (LMIs) consequently the fuzzy state response gain and regular solutions are numerically possible by nature inspired optimization algorithm. LMI approach for determining robust stability of non-linear system such as to an exothermic continuous-time stirred tank reactor (CSTR) by parametric uncertainties. Essential and satisfactory circumstances intended for stabilization of a linear continuous-time uncertain system through static output feedback are specified at earliest. After that the difficulty of robust static output feedback control plan is transformed to resolution of linear matrix inequalities (LMIs) and two LMI based algorithms, iterative and non-iterative ones are used. The design process guarantee by satisfactory circumstances the healthy quadratic stability and assured price. The opportunity to utilize a healthy static output response for control of CSTRs with suspicions is verified via simulation results.

Keywords: Linear matrix inequality (LMI) Continuous stirred tank reactor (CSTR), Fuzzy logic controller (FLC) Proportional integral derivative (PID).

Received: 6 June 2019 / Revised: 10 July 2019 / Accepted: 16 August 2019/ Published: 26 September 2019

Contribution/ Originality

This study is one of the very few studies which have investigated about T-S Fuzzy Technique. Here two techniques are used to control, nonlinear plant CSTR model. LMI approach for determining robust stability of non-linear system such as to an exothermic continuous-time stirred tank reactor (CSTR) by parametric uncertainties.


1. INTRODUCTION

Most commonly used controllers in many industrial applications because of their simplicity and adaptability through former technology to construct the composite automated system be PID controllers. Conventional PID controllers are 1-DOF controller, which performs either servo-tracking or disturbance problem at a time but not both problems at the same time. The main drawbacks of the PID controller are Gu, et al. [1];  Richard [2]:

  1. It discards load interruption following it enters into the structure and hence deteriorate the system performance.
  2. It cannot provide excellent presentation while the huge delay is there in the system and produce large oscillations.

We have seen exponentially growing interest in fuzzy control logic in recent years the development is being remarkable, many successful applications have been developed using fuzzy logic. But, in spite of the achievement, it has been sensitive that several fundamental flaws stay to be addressed such as stability analysis and systematic design. Recently more work is done on these issues. This manuscript attempts to perform LMI analysis and present systematic framework for stability and design of non-linear fuzzy control system [3, 4].

In the literature of model-based fuzzy control, two control schemes have been implemented:

  1. Control via inversion of the fuzzy model.
  2. Model-based predictive control.

The common feature of all models based fuzzy control methods is that nothing about stability, robustness or performance can be said in advance without simulation if consider in globally the whole closed-loop system. The limitation of the model-based fuzzy control is that only slowly varying changes are admissible for the controller to work as desired in a closed-loop system. Using the Lyapunov direct method and optimization, the limits of model fuzzy control can be overcome [5, 6].

Extensive literature is available for fuzzy modeling using input-output data. For our work we choose ISE (integral square error) as a performance index because error is large and we try to minimize the ISE. The rule base for fuzzy is collection of if-then statement.

For T-S fuzzy model rule base is defined as:
Then

Fuzzy controller gives good results for the system with time delay and disturbance, but in order to guarantee the stability of the system robust analysis is carried out [7-9].

2. LINEAR MATRIX INEQUALITY

Stability of the continuously stirred tank reactor (CSTR) is checked by using Linear matrix inequalities. Here we used different LMIs for different conditions to check the stability of the CSTR model. Here we considered two dissimilar cases designed for the time delay [10-12].

  1. Delay time is recognized and is unvarying.
  2. The time delay is varied.

The Non-Linear system with added uncertainty can be represented as below and also in this case time delay is considered as constant. Finally we get the results as:
xfeas =
0.6132
0.0098
0.7338
Q =
0.6132   0.0098
0.0098   0.7338
P =
1.6313  -0.0219
-0.0219   1.3631

From above results we get the positive definite P matrix. So it is obvious that the system is stable as per the stability criterion.

And finally we get the results as: xfeas =
0.6465
0.0620
1.5173
Q =
0.6465   0.0620
0.0620   1.5173
P =
1.5529 - 0.0634
-0.0634   0.6617

From above results we get the positive definite P matrix. So it is obvious that the system is stable as per the stability criterion.

3. NON-LINEAR SYSTEM: CSTR

A real time investigational system for greatly nonlinear tank is constructed. DAC is used to interface CSTR with the personal computer (PC). Overall system consists of a tank, pump, Rota meter, RTD, an electro pneumatic converter (I/P converter), a pneumatic control valve, an interfacing DAC module and a personal computer (PC).

For calculating Transfer function of CSTR cooling process the step response takes into consideration. The transfer function is calculated by using process reaction curve method [13, 14]. The process has very large dead time and is highly damped. Therefore the step response can be fitted into a simple first-order model with dead-time.

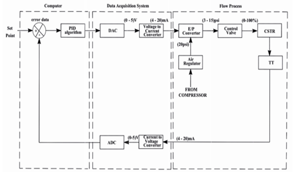
Figure-1. Block diagram of CSTR.

Source Cao and Frank [5].

Figure 1 shows the block diagram of a CSTR tank interfaced with a PC. The pneumatic control valve uses air as an input and adjusts the flow of the water pumped to the CSTR jacket from cold water tank. This flow maintains the temperature inside the tank at the desired value. The temperature of the liquid inside the tank is measured with the help of RTD and is transmitted in the form of (4-20) mA to the interfacing DAC module with the help of temperature transmitter to the personal computer (PC) [15-18].

  1. Technical Specification of CSTR
  1. Rotameter
Range
10 to 100 LPH
End connection
1/4" BSP (F) thread
Float material
SS - 316
  1. Air regulator
Input range
(0 - 10.6) Kg / cm2
Output range
(0 - 2.1) Kg / cm2
Special feature
Air regulator cum filter
  1. Pressure gauge
Range
(0-30) psi
Diameter
2"
Type
Bourdon tube
  1. Electro-pneumatic converter
Pneumatic Input air
20 psi constant
Current input
(4-20)mA/ 24V DC
Pneumatic output
(3-15) psi Signal
  1. Pneumatic control valve
Spring range
(0-2.1) Kg/cm
Valve action
Air to open
Medium
Water/air
Voltage
230V AC/DC, 50Hz
Discharge
800 LPH

4. SIMULATION AND RESULTS

Figure-2. Simulation of combined fuzzy.

Figure 2 shows the simulation of a combined fuzzy logic controller. The differential pressure transmitter output interfaces with the computer using a DAC module in the RS-232 port of the PC  [18].

Figure-3. .Simulation results of  FLC.

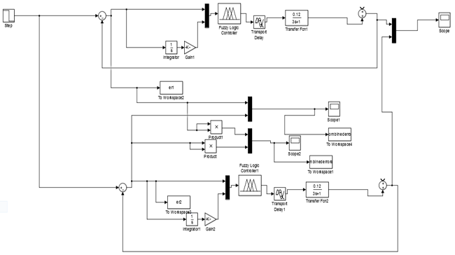
Figure-4. Simulink diagram of parallel fuzzy.

Figure 3 shows the simulation results of a combined fuzzy logic controller. It is experimental from the results of a fuzzy logic controller that, it gives no overshoot, faster settling time, better set point tracking and produces lower performance indices like integral square error (ISE). Figure 4 shows the simulink diagram of a parallel fuzzy logic controller.

Figure-5. Comparative result.

Figure 5 shows the comparative result of a fuzzy logic controller and type 2 fuzzy controller with time domain specifications.

Table-1. Time domain specifications.

Time domain specifications
PID
Fuzzy
Fuzzy type2
Rise time
7
6
4.2
Settling time
17
12
6.5
Overshoot
38 %
6 %
4%

Table-2. Comparison of ISE.

Control techniques
ISE (With delay)
Fuzzy
3.590402
Optimized fuzzy
3.10073
PID
3.959913

From the Table 1 & 2 it is clear that ISE for the optimized fuzzy is less than ISE for PID and fuzzy without optimization. In simulation, we calculate ISE after a step change. Here the initial value of the step input is kept at 50 and then step change given at time instant of 50. The final value of the step change is 40. This is done because our process is cooling process so we want to settle temperature from high value to low value.

5. CONCLUSION

From the response of the system for various controllers it is obvious that the fuzzy controller give superior performance as compared to other controllers. Also ISE (performance index) obtained with the optimized fuzzy is less than other controllers. In this manuscript, T-S fuzzy technique has been proposed to control the nonlinear time delay system. This technique uses Linguistic expressions. In this proposal two techniques are used to control, nonlinear plant CSTR model. Both techniques give good results. By considering all this performance of CSTR model has achieved the desired state.

Funding: This study received no specific financial support.   
Competing Interests: The authors declare that they have no competing interests. 
Acknowledgement: Both authors contributed equally to the conception and design of the study.

REFERENCES

[1]          K. Gu, V. L. Kharitonov, and J. Chen, Stability of time-delay systems. Berlin, Germany: Birkhauser, 2003.

[2]          J.-P. Richard, "Time-delay systems: An overview of some recent advances and open problems," Automatica, vol. 39, pp. 1667-1694, 2003. Available at: https://doi.org/10.1016/s0005-1098(03)00167-5.

[3]          M. S. Mahmoud and N. F. Al-Muthairi, "Design of robust controllers for time-delay systems," IEEE Transactions on Automatic Control, vol. 39, pp. 995-999, 1994.

[4]          T. Takagi and M. Sugeno, "Fuzzy identification of systems and its applications to modeling and control," IEEE Transactions on Systems, Man, and Cybernetics, vol. 1, pp. 116-132, 1985.

[5]          Y.-Y. Cao and P. M. Frank, "Analysis and synthesis of nonlinear time-delay systems via fuzzy control approach," IEEE Transactions on Fuzzy Systems, vol. 8, pp. 200-211, 2000. Available at: https://doi.org/10.1109/91.842153.

[6]          R. Manivasagam and V. Dharmalingam, "Power quality problem mitigation by unified power quality conditioner: An adaptive hysteresis control technique," International Journal of Power Electronics, vol. 6, pp. 403-425, 2014. Available at: https://doi.org/10.1504/ijpelec.2014.067442.

[7]          P. A. Birkin and J. M. Garibaldi, "A comparison of type-1 and type-2 fuzzy controllers in a micro-robot context," presented at the 2009 IEEE international conference on fuzzy systems, 2009.

[8]          P. Manikandan, M. Geetha, T. K. Vijaya, K. S. Elamurugan, and V. Silambarasan, "Real-time implementation and performance analysis of an intelligent fuzzy logic controller for level process," presented at the 2013 Fourth International Conference on Computing, Communications and Networking Technologies (ICCCNT). IEEE, 2013.

[9]          R. Manivasagam and D. Aarthi, "Design of UPFC using ten switch converter with switch reduction," International  Journal for Scientific Research & Evelopment, vol. 5, pp. 490-493, 2017.

[10]        H.-K. Lam and L. D. Seneviratne, "Stability analysis of interval type-2 fuzzy-model-based control systems," IEEE Transactions on Systems, Man, and Cybernetics, Part B (Cybernetics), vol. 38, pp. 617-628, 2008.

[11]        D. Wu, "Fundamental differences between interval type-2 and type-1 fuzzy logic controllers," IEEE Transactions on Fuzzy Systems, vol. 20, pp. 832-848, 2012.

[12]        H. Zhou and H. Ying, "A method for deriving the analytical structure of a broad class of typical interval type-2 Mamdani fuzzy controllers," IEEE Transactions on Fuzzy Systems, vol. 21, pp. 447-458, 2012. Available at: https://doi.org/10.1109/tfuzz.2012.2226891.

[13]        R. Manivasagam and R. Raghavi, "Modeling of a grid connected new energy vehicle charging station," International Journal of Applied Engineering Research, vol. 10, pp. 15870-15875, 2015.

[14]        T. Kumbasar, "Robust stability analysis and systematic design of single-input interval type-2 fuzzy logic controllers," IEEE Transactions on Fuzzy Systems, vol. 24, pp. 675-694, 2015. Available at: https://doi.org/10.1109/tfuzz.2015.2471805.

[15]        D. H. Lee, Y. H. Joo, and M. H. Tak, "LMI conditions for local stability and stabilization of continuous-time TS fuzzy systems," International Journal of Control, Automation and Systems, vol. 13, pp. 986-994, 2015. Available at: https://doi.org/10.1109/tfuzz.2015.2471805.

[16]        G. Pascal, N. Arkadi, J. L. Alan, and C. Mahmoud, "LMI control toolbox user's guide," IEEE Xplore, The MathWorks, Inc, vol. 1, pp. 1-12, 1995.

[17]        W. Dongrui and W. T. Woei, "Interval type-2 fuzzy pi controllers: Why they are more robust," presented at the IEEE International Conference on Granular Computing, 2010.

[18]        R. Manivasagam, P. Parthasarathy, and R. Anbumozhi, "Robust analysis of T-S fuzzy controller for nonlinear system using H-infinity," Advances in Intelligent Systems and Computing, vol. 949, pp. 643-651, 2019. Available at: https://doi.org/10.1007/978-981-13-8196-6_56.

Views and opinions expressed in this article are the views and opinions of the author(s), Review of Computer Engineering Research shall not be responsible or answerable for any loss, damage or liability etc. caused in relation to/arising out of the use of the content.